Type 1+2 DC Surge Protection Device FLP25-DC75/1S+1

DIN rail installation, for 48V DC power system, high discharge capacity due to Metal Oxide Varistor (MOV) / Gas Discharge Tube (GDT) combination

Main Features:

  • Location of Use: String box, Inverter

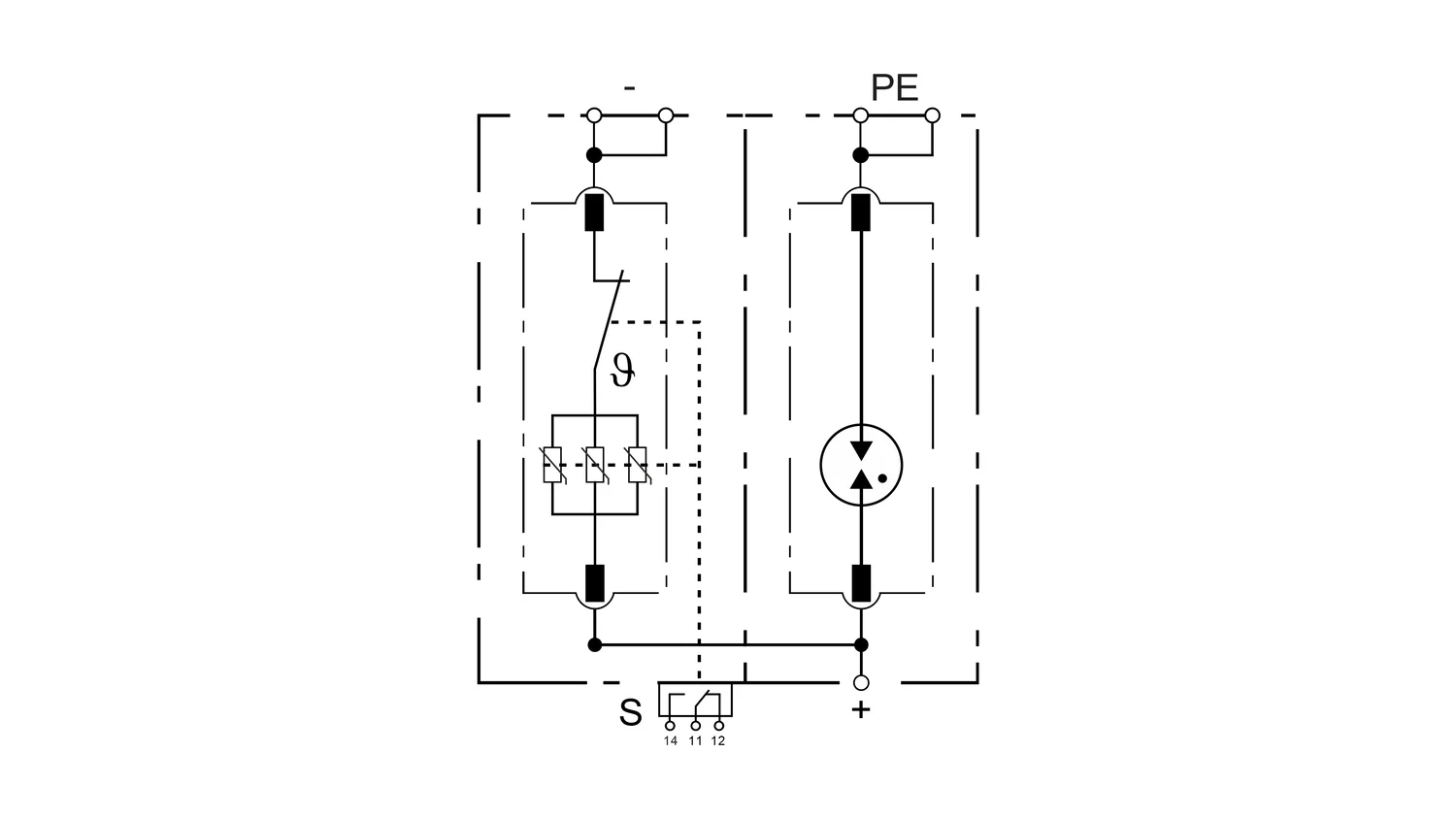
  • Network Systems: (DC-)-(DC+) and (DC+)-PE

  • Surge Ratings: Iimp = 25kA (10/350 μs), In = 25kA (8/20 μs)

  • IEC/EN Category: Class l+II / Type 1+2

  • Protective Elements: High Energy MOV and GDT

  • Housing: Monoblock Design

  • Compliance: IEC/EN 61643-41
  • Main Specification

    Model No.FLP25-DC75/1S+1
    SPD according to IEC/EN 61643-41Type 1+2 / Class I+II / Class B+C
    Protection modeDifference Module (DM) / Common Mode (CM)
    Connection mode(DC-)-(DC+) and (DC+)-PE
    Rated operational DC voltage Un48Vdc
    Max. continuous operating DC voltage Ucdc 75Vdc
    Impulse discharge current (10/350 μs) Iimp25kA / 50kA
    Nominal discharge current (8/20 μs) In25kA / 50kA
    Maximum discharge current (8/20 μs) Imax100kA
    Voltage protection level Up0.5kV

    Basic Circuit Diagram

    Dimensions

    Installation Instructions

    Wiring Diagram & Installation

    Documentation

    Related Products

    Get Free Quote Now

    Empower Sales and Maximize Market Potential with LSP