Type 1+2 AC Surge Protective Device FLP12,5-275/2S

Main Features:

  • Location of Use: Main Distribution Boards

  • Network Systems: TN-S

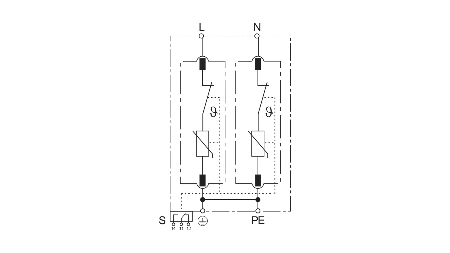
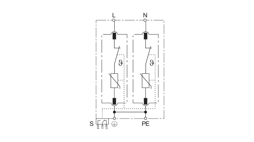
  • Mode of Protection: L-PE, N-PE

  • Surge Ratings: Iimp = 12.5kA (10/350 μs), In = 20kA (8/20 μs)

  • IEC/EN Category: Class I+II / Type 1+2

  • Protective Elements: High Energy MOV

  • Housing: Pluggable design

  • Compliance: IEC 61643-11:2011, EN 61643-11:2012
  • Main Specification

    Model No.FLP12,5-275/2S
    SPD according to IEC/EN 61643-11Type 1+2 / Class I+II / Class B+C
    Nominal voltage Un230V
    Max. continuous operating voltage Uc 275V
    Impulse discharge current (10/350 μs) Iimp12,5kA
    Nominal discharge current (8/20 μs) In20kA
    Maximum discharge current (8/20 μs) Imax50kA
    Voltage protection level Up≤ 1.5kV
    Max. backup fuse160 A gG
    Type of remote signalling contactyes / changeover contact

    Basic Circuit Diagram

    Dimensions

    Installation Instructions

    Wiring Diagram & Installation

    Certificate

    Documentation

    Related Products

    Get Free Quote Now

    Empower Sales and Maximize Market Potential with LSP