Type 1+2 DC Surge Protection Device FLP-DC85/2S

DIN rail installation, for 75V DC power system, high discharge capacity due to metal oxide varistor (MOV)

Main Features:

  • Location of Use: String box, Inverter

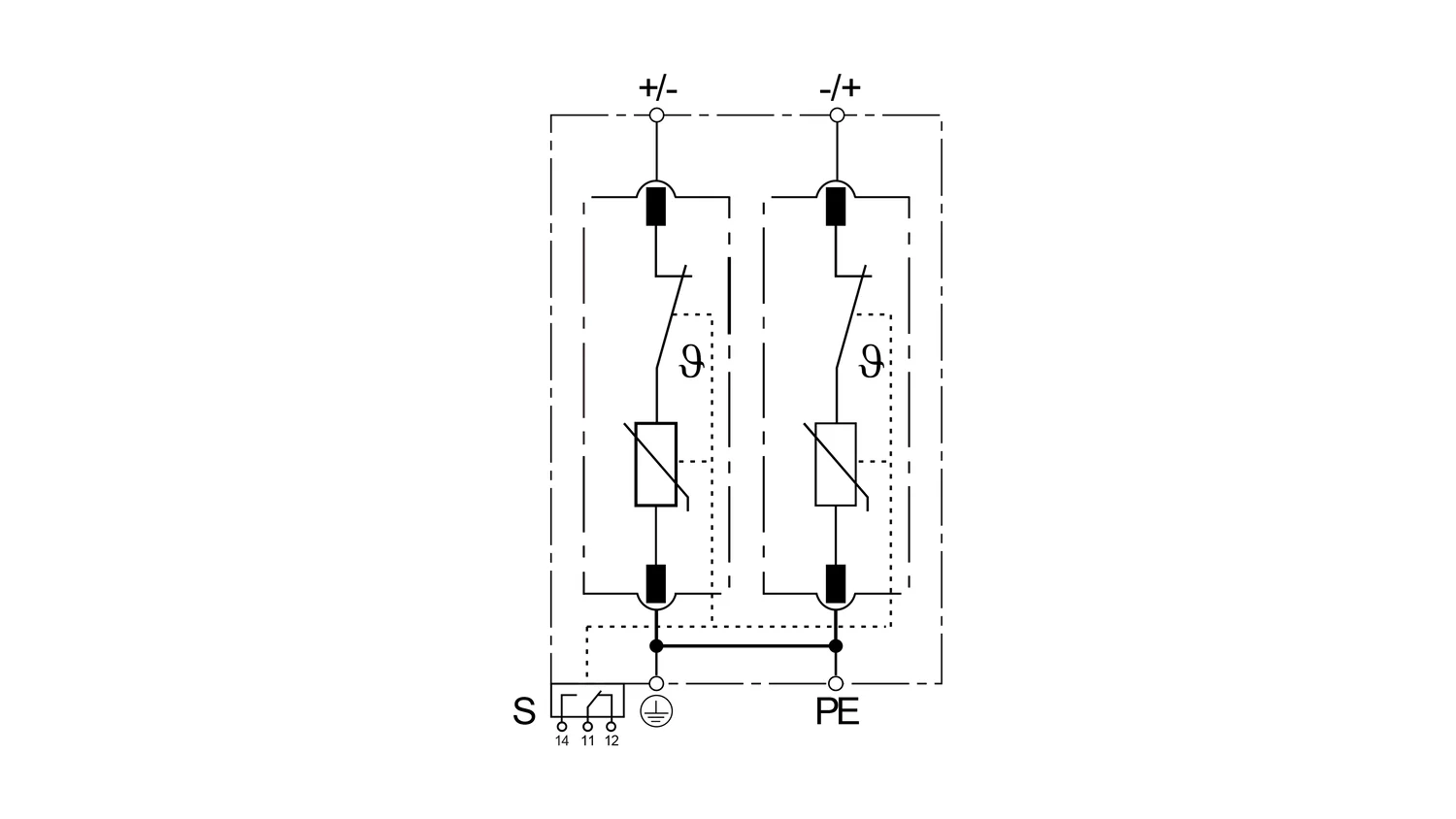
  • Mode of Protection: (DC+/-)-PE and (DC-/+)-PE

  • Surge Ratings: Iimp = 4kA (10/350 μs), In = 20kA (8/20 μs)

  • IEC/EN Category: Class l+II / Type 1+2

  • Protective Elements: High Energy MOV

  • Housing: Pluggable Design

  • Compliance: IEC/EN 61643-41
  • Main Specification

    Model No.FLP-DC85/2S
    SPD according to IEC/EN 61643-41Type 1+2 / Class I+II / Class B+C
    Protection modeCommon mode (CM)
    Connection Mode(DC+/-)-PE and (DC-/+)-PE
    Rated operational DC voltage Un75Vdc
    Max. continuous operating DC voltage Ucdc 85Vdc
    Impulse discharge current (10/350 μs) Iimp4kA
    Nominal discharge current (8/20 μs) In20kA
    Maximum discharge current (8/20 μs) Imax40kA
    Voltage protection level Up0.39kV

    Basic Circuit Diagram

    Dimensions

    Installation Instructions

    Wiring Diagram & Installation

    Documentation

    Related Products

    Get Free Quote Now

    Empower Sales and Maximize Market Potential with LSP